Классы компонентов: 1.7.1.1.1. Кулачковые (пакетные) переключатели
Для поиска необходимой схемы используйте сортировку столбцов или встроенную в браузер поисковую систему (нажав кнопку F3).
Примечание: Схемы переключателей 4G производства Апатор, КЭАЗ, Lovato одинаковы.
| Схема | 4G | ПК, ПКУ3 | ПКУ2 | УП | МКФ | МКВ | ПВП | ПМОВ | ПМОФ | MOELLER | ABB | Schneider Electric | Kraus&Naimer | OBZOR | GANZ KK | SEZ s10 |
|---|---|---|---|---|---|---|---|---|---|---|---|---|---|---|---|---|
![]() |
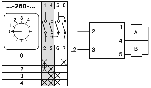
-10- | 12 | 201 | 0_A03_, 0_A3_ | А202 | 1103 | 6002, 9002 | 1103 | ||||||||
![]() |
-11- | 6008 | ||||||||||||||
![]() |
-12- | |||||||||||||||
![]() |
-13- | |||||||||||||||
![]() |
-15- | |||||||||||||||
![]() |
-19- | |||||||||||||||
![]() |
-20- | |||||||||||||||
![]() |
-21- | |||||||||||||||
![]() |
-22- | |||||||||||||||
![]() |
-23- | |||||||||||||||
![]() |
-24- | |||||||||||||||
![]() |
-25- | |||||||||||||||
![]() |
-26- | |||||||||||||||
![]() |
-27- | |||||||||||||||
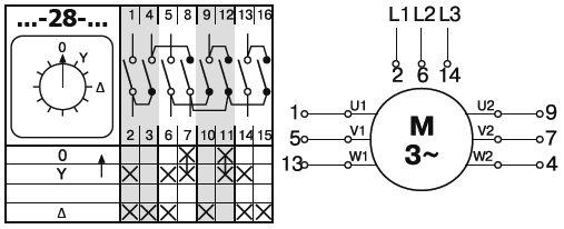
![]() |
-28- | |||||||||||||||
![]() |
-29- | |||||||||||||||
![]() |
-30- | |||||||||||||||
![]() |
-31- | |||||||||||||||
![]() |
-32- | |||||||||||||||
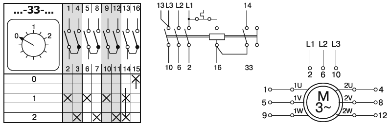
![]() |
-33- | |||||||||||||||
![]() |
-34- | |||||||||||||||
![]() |
-35- | |||||||||||||||
![]() |
-36- | |||||||||||||||
![]() |
-51- | 8210, 15431 | K1B-001UCH | А210 | ||||||||||||
![]() |
-52- | 8211 | 0_U2_ | K1D-002U, K1D-002ULH | А211 | 6005 | ||||||||||
![]() |
-53- | 116 | 328 | 8212 | 0_U3_ | K1F-003U, K1F-003ULH | А212 | 6006 | 2203 | |||||||
![]() |
-54- | А220 | ||||||||||||||
![]() |
-55- | 10 | K1D-012U, K1D-012UCH | А221 | 2252 | 9003 | ||||||||||
![]() |
-56- | K1F-013U | А222 | 2253 | 9004 | 2253 | ||||||||||
![]() |
-57- | |||||||||||||||
![]() |
-58- | |||||||||||||||
![]() |
-60- | |||||||||||||||
![]() |
-62- | |||||||||||||||
![]() |
-63- | А292 | ||||||||||||||
![]() |
-66- | 8007 | 0_V30_ | K1F-027MLH | А007 | 4036 | ||||||||||
![]() |
-67- | 15920 | K1D-024MLH | А004 | ||||||||||||
![]() |
-68- | А005 | ||||||||||||||
![]() |
-69- | 8223 | А223 | 9417 | 2254 | |||||||||||
![]() |
-70- | K1K-015 | 2255 | |||||||||||||
![]() |
-71- | |||||||||||||||
![]() |
-72- | |||||||||||||||
![]() |
-73- | |||||||||||||||
![]() |
-74- | |||||||||||||||
![]() |
-75- | 0_U4_ | А213 | |||||||||||||
![]() |
-76- | K1K-005U | ||||||||||||||
![]() |
-77- | -6091- | -6091- | |||||||||||||
![]() |
-78- | |||||||||||||||
![]() |
-79- | |||||||||||||||
![]() |
-80- | |||||||||||||||
![]() |
-81- | |||||||||||||||
![]() |
-82- | 0_ST31_ | А230 | |||||||||||||
![]() |
-83- | 0_ST41_ | А231 | 2451 | 4489 | |||||||||||
![]() |
-84- | 2551 | ||||||||||||||
![]() |
-85- | K1F-006N | ||||||||||||||
![]() |
-86- | 2352 | ||||||||||||||
![]() |
-87- | А251 | ||||||||||||||
![]() |
-88- | А252 | ||||||||||||||
![]() |
-89- | |||||||||||||||
![]() |
-90- | -0115- | 1 | 101 | 0_A01_, 0_A1_ | K1A-001ACH | А200 | 6054 | ||||||||
![]() |
-91- | -0103- | 4 | 102 | 0_A02_, 0_A2_ | K1B-002ACH, K2B-1002HLH | А201 | 1102 | 6001, 9001 | 1102 | ||||||
![]() |
-92- | -2037- | 29 | 215 | 0_A04_ | K1D-004ALH, K2D-004HLH | А203 | 1104 | 6042, 6044, 6096 | 1104 | ||||||
![]() |
-93- | 2353 | ||||||||||||||
![]() |
-94- | А271 | ||||||||||||||
![]() |
-95- | |||||||||||||||
![]() |
-96- | |||||||||||||||
![]() |
-97- | |||||||||||||||
![]() |
-98- | |||||||||||||||
![]() |
-99- | 43 | А341 | 1105 | 1105 | |||||||||||
![]() |
-100- | 58 | 317 | 8342 | K1F-006ALH | А342 | 1106 | |||||||||
![]() |
-101- |
|||||||||||||||
![]() |
-102- | |||||||||||||||
![]() |
-103- | |||||||||||||||
![]() |
-104- | |||||||||||||||
![]() |
-105- | |||||||||||||||
![]() |
-106- | |||||||||||||||
![]() |
-107- | 0_S021_ | А240 | |||||||||||||
![]() |
-108- | 0_S031_ | ||||||||||||||
![]() |
-109- | 0_S041_ | 2401 | |||||||||||||
![]() |
-110- | |||||||||||||||
![]() |
-111- | |||||||||||||||
![]() |
-112- | |||||||||||||||
![]() |
-113- | |||||||||||||||
![]() |
-114- | |||||||||||||||
![]() |
-115- | |||||||||||||||
![]() |
-116- | |||||||||||||||
![]() |
-117- | |||||||||||||||
![]() |
-118- | |||||||||||||||
![]() |
-119- | |||||||||||||||
![]() |
-120- | |||||||||||||||
![]() |
-121- | |||||||||||||||
![]() |
-122- | |||||||||||||||
![]() |
-123- | K10D-012QCH | ||||||||||||||
![]() |
-124- | |||||||||||||||
![]() |
-125- | |||||||||||||||
![]() |
-126- | |||||||||||||||
![]() |
-127- | |||||||||||||||
![]() |
-128- | |||||||||||||||
![]() |
-129- | |||||||||||||||
![]() |
-130- | |||||||||||||||
![]() |
-131- | |||||||||||||||
![]() |
-132- | |||||||||||||||
![]() |
-133- | |||||||||||||||
![]() |
-134- | |||||||||||||||
![]() |
-135- | |||||||||||||||
![]() |
-136- | |||||||||||||||
![]() |
-137- | |||||||||||||||
![]() |
-138- | |||||||||||||||
![]() |
-139- | |||||||||||||||
![]() |
-140- | |||||||||||||||
![]() |
-141- | |||||||||||||||
![]() |
-142- | |||||||||||||||
![]() |
-143- | |||||||||||||||
![]() |
-144- | |||||||||||||||
![]() |
-145- | |||||||||||||||
![]() |
-146- | |||||||||||||||
![]() |
-147- | |||||||||||||||
![]() |
-148- | |||||||||||||||
![]() |
-149- | |||||||||||||||
![]() |
-150- | |||||||||||||||
![]() |
-151- | |||||||||||||||
![]() |
-152- | |||||||||||||||
![]() |
-153- | |||||||||||||||
![]() |
-154- | |||||||||||||||
![]() |
-155- | |||||||||||||||
![]() |
-156- | |||||||||||||||
![]() |
-157- | |||||||||||||||
![]() |
-158- | |||||||||||||||
![]() |
-159- | |||||||||||||||
![]() |
-160- | |||||||||||||||
![]() |
-161- | |||||||||||||||
![]() |
-162- | |||||||||||||||
![]() |
-163- | |||||||||||||||
![]() |
-164- | |||||||||||||||
![]() |
-201- | 8214 | 0_URR1_ | K1B-006TCH, K1B-006TLH | А214 | |||||||||||
![]() |
-202- | 0_URR2_ | А215 | |||||||||||||
![]() |
-203- | 8216 | А216 | |||||||||||||
![]() |
-204- | |||||||||||||||
![]() |
-205- | |||||||||||||||
![]() |
-206- | |||||||||||||||
![]() |
-207- | А176 | ||||||||||||||
![]() |
-208- | |||||||||||||||
![]() |
-209- | |||||||||||||||
![]() |
-210- | |||||||||||||||
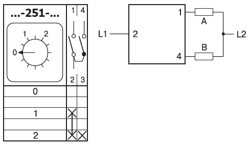
![]() |
-251- | |||||||||||||||
![]() |
-252- | |||||||||||||||
![]() |
-253- | |||||||||||||||
![]() |
-254- | |||||||||||||||
![]() |
-255- | |||||||||||||||
![]() |
-256- | |||||||||||||||
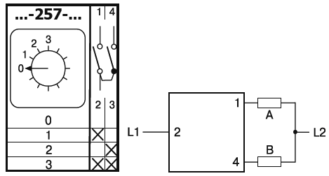
![]() |
-257- | |||||||||||||||
![]() |
-258- | |||||||||||||||
![]() |
-259- | |||||||||||||||
![]() |
-260- | |||||||||||||||
![]() |
-270- | A290 | ||||||||||||||
![]() |
-271- | A291 | ||||||||||||||
![]() |
-272- | А293 | ||||||||||||||
![]() |
-273- | |||||||||||||||
![]() |
-274- | |||||||||||||||
| -361- | 222222 | |||||||||||||||
![]() |
-385- | 222222 д61 | ||||||||||||||
![]() |
-462- | -2001- | ||||||||||||||
![]() |
-463- | |||||||||||||||
![]() |
-467- | |||||||||||||||
![]() |
-468- | |||||||||||||||
![]() |
-498- | |||||||||||||||
| -499- | 2227 | |||||||||||||||
![]() |
-500- | |||||||||||||||
![]() |
-512- | -2017- | ||||||||||||||
![]() |
-516- | -0101- | 7 | К1B-002NCH | ||||||||||||
![]() |
-519- | -0102- | ||||||||||||||
![]() |
-520- | -А3033- | ||||||||||||||
![]() |
-521- | -2059- | ||||||||||||||
| -522- | -0109- | |||||||||||||||
| -524- | -0105- | |||||||||||||||
![]() |
-525- | -2015- | ||||||||||||||
![]() |
-526- | |||||||||||||||
| -527- | -4036- | |||||||||||||||
| -528- | -5006- | |||||||||||||||
![]() |
-529- | -5028- | ||||||||||||||
| -530- | -4096- | |||||||||||||||
| -531- | -2065- | |||||||||||||||
| -532- | -4043- | |||||||||||||||
![]() |
-534- | |||||||||||||||
![]() |
-543- | 112222 | 112222 | |||||||||||||
![]() |
-544- | 22 | 22 | |||||||||||||
![]() |
-545- | 111111 | ||||||||||||||
| -555- | -3080- | |||||||||||||||
| -567- | -3100- | |||||||||||||||
![]() |
-572- | 233317 | ||||||||||||||
![]() |
-573- | 222777 д15 | ||||||||||||||
| -582- | -3035- | |||||||||||||||
![]() |
-583- | 2222 | ||||||||||||||
![]() |
-584- | 1122 | ||||||||||||||
![]() |
-587- | 22222 | ||||||||||||||
![]() |
-588- | -3082- | 302 | |||||||||||||
| -589- | -2002- | |||||||||||||||
| -590- | 2222 | |||||||||||||||
| -591- | 2222 | |||||||||||||||
| -592- | -4111- | |||||||||||||||
| -594- | 1122 | |||||||||||||||
![]() |
-596- | -2014- | ||||||||||||||
| -597- | -3091- | |||||||||||||||
| -604- | 112277 | |||||||||||||||
| -606- | 111144Д43 | |||||||||||||||
| -609- | -6006- | |||||||||||||||
| -616- | -2036- | |||||||||||||||
![]() |
-620- | |||||||||||||||
![]() |
-622- | -2080- | ||||||||||||||
| -623- | -3083- | |||||||||||||||
| -629- | -4101- | |||||||||||||||
![]() |
-632- | 111222 | ||||||||||||||
![]() |
-633- | |||||||||||||||
| -634- | 111225 | |||||||||||||||
![]() |
-635- | 888888Д39 | ||||||||||||||
| -636- | -3047- | |||||||||||||||
![]() |
-637- | -Б0101- | ||||||||||||||
![]() |
-648- | -2034- | ||||||||||||||
![]() |
-649- | -А2001- | ||||||||||||||
![]() |
-650- | 115566 | ||||||||||||||
| -654- | 112556 | |||||||||||||||
| -655- | 225566 | |||||||||||||||
![]() |
-657- | |||||||||||||||
| -658- | -8012- | -8012- | 222444 | |||||||||||||
![]() |
-659- | |||||||||||||||
![]() |
-660- | 444444Д46 | ||||||||||||||
![]() |
-662- | 11 | ||||||||||||||
![]() |
-663- | |||||||||||||||
![]() |
-664- | |||||||||||||||
![]() |
-665- | -А0102- | ||||||||||||||
| -667- | -5008- | |||||||||||||||
| -671- | -5041- | |||||||||||||||
| -672- | -2024- | |||||||||||||||
| -673- | -3037- | |||||||||||||||
| -674- | -3103- | |||||||||||||||
![]() |
-678- | -4114- | ||||||||||||||
| -686- | 111888 | |||||||||||||||
| -691- | -А4037- | |||||||||||||||
![]() |
-692- | -4076- | ||||||||||||||
![]() |
-693- | -4108- | ||||||||||||||
| -694- | -4031- | |||||||||||||||
| -698- | -2028- | |||||||||||||||
| -699- | -2004- | |||||||||||||||
| -700- | -6016- | |||||||||||||||
![]() |
-701- | |||||||||||||||
![]() |
-713- | |||||||||||||||
| -715- | -4098- | |||||||||||||||
| -733- | K_F-013NL | |||||||||||||||
![]() |
-737- | -Б0103- | ||||||||||||||
| -742- | -3033- | |||||||||||||||
| -752- | -5015- | |||||||||||||||
| -754- | -2060- | |||||||||||||||
| -757- | -3079- | |||||||||||||||
![]() |
-765- | -0121- | ||||||||||||||
| -766- | -А2002- | |||||||||||||||
![]() |
-768- | |||||||||||||||
![]() |
-770- | |||||||||||||||
![]() |
-771- | |||||||||||||||
| -780- | -4097- | |||||||||||||||
| -781- | -5038- | |||||||||||||||
| -783- | -3105- | |||||||||||||||
| -785- | -2030- | |||||||||||||||
| -786- | -3065- | |||||||||||||||
| -787- | -2027- | |||||||||||||||
| -788- | K_F-024NL | |||||||||||||||
| -794- | 334466Д26 | |||||||||||||||
| -795- | K2D-012ULH | |||||||||||||||
| -796- | K2H-014ULH | |||||||||||||||
| -798- | 555666 | |||||||||||||||
![]() |
-800- | -3071- | ||||||||||||||
| -801- | 224466 | |||||||||||||||
| -802- | 112244 | |||||||||||||||
| -803- | 112266 | |||||||||||||||
![]() |
-812- | -322- | ||||||||||||||
| -815- | 31 | |||||||||||||||
![]() |
-824- | |||||||||||||||
| -825- | -343- | |||||||||||||||
| -830- | -332- | |||||||||||||||
| -844- | -3056- | |||||||||||||||
| -845- | -4055- | |||||||||||||||
| -850- | -4048- | |||||||||||||||
![]() |
-854- | -3014- | ||||||||||||||
| -861- | -4053- | |||||||||||||||
| -876- | -6011- | |||||||||||||||
| -882- | -4095- | |||||||||||||||
![]() |
-884- | 222 | ||||||||||||||
![]() |
-888- | |||||||||||||||
| -904- | -6017- | |||||||||||||||
| -905- | -2071- | |||||||||||||||
| -907- | -6020- | |||||||||||||||
| -908- | -2068- | |||||||||||||||
| -909- | 222 | |||||||||||||||
| -910- | 229 | |||||||||||||||
| -911- | 413 | |||||||||||||||
| -913- | -4018- | |||||||||||||||
| -914- | 444777 | |||||||||||||||
![]() |
-916- | |||||||||||||||
| -923- | -6014- | |||||||||||||||
| -924- | -327- | |||||||||||||||
![]() |
-926- | -2035- | ||||||||||||||
| -927- | -4051- | |||||||||||||||
![]() |
-930- | 223344 | ||||||||||||||
| -931- | -4022- | |||||||||||||||
| -940- | -2048- | |||||||||||||||
| -941- | -6004- | |||||||||||||||
| -944- | -6005- | |||||||||||||||
| -946- | 57 | |||||||||||||||
| -947- | -3147- | |||||||||||||||
| -952- | -4021- | |||||||||||||||
| -955- | -4027- | |||||||||||||||
| -956- | -4061- | |||||||||||||||
| -958- | -4093- | |||||||||||||||
| -959- | -254- | |||||||||||||||
| -965- | 22226а6а | |||||||||||||||
| -975- | -6024- | |||||||||||||||
| -987- | -5014- | |||||||||||||||
![]() |
-991- | -6039- | ||||||||||||||
| -1000- | -440- | |||||||||||||||
| -1003- | -3090- | |||||||||||||||
| -1043- | -4037- | |||||||||||||||
| -1050- | -4081- | |||||||||||||||
| -1051- | 95 | |||||||||||||||
| -1058- | -428- | |||||||||||||||
| -1082- | -3045- | |||||||||||||||
![]() |
-1083- | |||||||||||||||
| -1084- | -2081- | |||||||||||||||
| -1085- | -3093- | |||||||||||||||
![]() |
-1086- | |||||||||||||||
![]() |
-1102- | 222555 | ||||||||||||||
![]() |
-1106- | -470- | ||||||||||||||
| -1109- | -474- | |||||||||||||||
![]() |
-1129- | |||||||||||||||
| -1134- | -398- | |||||||||||||||
| -1141- | -А202- | |||||||||||||||
| -1144- | -150- | |||||||||||||||
![]() |
-1152- | |||||||||||||||
| -1194- | -278- | |||||||||||||||
| -1199- | 8 | |||||||||||||||
| -1216- | 237777Д87 | |||||||||||||||
| -1233- | -А426- | |||||||||||||||
![]() |
-1236- | |||||||||||||||
![]() |
-1241- | |||||||||||||||
| -1296- | 1266а6а | |||||||||||||||
| -1297- | 1266 | |||||||||||||||
| -1298- | 2266а | |||||||||||||||
| -1332- | 111222Д86 | |||||||||||||||
| -1335- | 778888 | |||||||||||||||
| -1407- | -314- | |||||||||||||||
| -1418- | 126а6а | |||||||||||||||
| -1419- | 26 | |||||||||||||||
| -1434- | 44 | |||||||||||||||
| -1523- | 150 | |||||||||||||||
| -1584- | -227- | |||||||||||||||
| -1660- | -186- | |||||||||||||||
| -1740- | -367- | |||||||||||||||
| -1781- | -8016- | -8016- | ||||||||||||||
| -1801- | -556- | |||||||||||||||
| -1868- | 222266 | |||||||||||||||
| -1901- | 777777Д50 | |||||||||||||||
| -1902- | 777777 д65 | |||||||||||||||
| -1967- | 303 | |||||||||||||||
| -1971- | -6013- | |||||||||||||||
| -2003- | -2003- | |||||||||||||||
| -2005- | -А2006- | |||||||||||||||
| -2006- | -2006- | |||||||||||||||
| -2007- | -А2008- | |||||||||||||||
| -2008- | -2008- | |||||||||||||||
| -2009- | -2009- | |||||||||||||||
| -2010- | -2010- | |||||||||||||||
| -2011- | -А2016- | |||||||||||||||
| -2012- | -2012- | |||||||||||||||
| -2013- | -2013- | |||||||||||||||
| -2014- | -Б2014- | |||||||||||||||
| -2015- | -А2015- | |||||||||||||||
| -2016- | -2016- | |||||||||||||||
| -2017- | -А2017- | |||||||||||||||
| -2018- | -А2018- | |||||||||||||||
| -2019- | -А2029- | |||||||||||||||
| -2020- | -2020- | |||||||||||||||
| -2024- | -А2024- | |||||||||||||||
| -2026- | -2026- | |||||||||||||||
| -2027- | -А2027- | |||||||||||||||
| -2028- | -А2028- | |||||||||||||||
| -2029- | -2029- | |||||||||||||||
| -2030- | -А2030- | |||||||||||||||
| -2031- | -2031- | |||||||||||||||
| -2032- | -2032- | |||||||||||||||
| -2033- | -А2072- | |||||||||||||||
| -2034- | -А2032- | |||||||||||||||
| -2036- | -А2036- | |||||||||||||||
| -2037- | -Б2037- | |||||||||||||||
| -2038- | -2038- | |||||||||||||||
| -2039- | -2039- | |||||||||||||||
| -2040- | -2040- | |||||||||||||||
| -2041- | -А2038- | |||||||||||||||
| -2042- | -А2047- | |||||||||||||||
| -2044- | -2044- | |||||||||||||||
| -2047- | -2047- | |||||||||||||||
| -2049- | -2049- | |||||||||||||||
| -2050- | -А2094- | |||||||||||||||
| -2051- | -2051- | |||||||||||||||
| -2052- | -2052- | |||||||||||||||
| -2054- | -2054- | |||||||||||||||
| -2055- | -2055- | |||||||||||||||
| -2056- | -2056- | |||||||||||||||
| -2057- | -2057- | |||||||||||||||
| -2058- | -2058- | |||||||||||||||
| -2061- | -2061- | |||||||||||||||
| -2062- | -2062- | |||||||||||||||
| -2063- | -2063- | |||||||||||||||
| -2064- | -2064- | |||||||||||||||
| -2066- | -2066- | |||||||||||||||
| -2067- | -2067- | |||||||||||||||
| -2069- | -2069- | |||||||||||||||
| -2071- | -А2071- | |||||||||||||||
| -2072- | -2072- | |||||||||||||||
| -2073- | -2073- | |||||||||||||||
| -2074- | -2074- | |||||||||||||||
| -2075- | -2075- | |||||||||||||||
| -2076- | -2076- | |||||||||||||||
| -2077- | -А2132- | |||||||||||||||
| -2079- | -2079- | |||||||||||||||
| -2082- | -2082- | |||||||||||||||
| -2083- | -2083- | |||||||||||||||
| -2084- | -2084- | |||||||||||||||
| -2085- | -2085- | |||||||||||||||
| -2086- | -2086- | |||||||||||||||
| -2087- | -2087- | |||||||||||||||
| -2088- | -А1005- | |||||||||||||||
| -2089- | -2089- | |||||||||||||||
| -2090- | -2090- | |||||||||||||||
| -2091- | -2091- | |||||||||||||||
| -2092- | -2092- | |||||||||||||||
| -2093- | -2093- | |||||||||||||||
| -2094- | -2094- | |||||||||||||||
| -2095- | -2095- | |||||||||||||||
| -2096- | -2096- | |||||||||||||||
| -2098- | -2098- | |||||||||||||||
| -2099- | -0106- | |||||||||||||||
| -2100- | -2100- | |||||||||||||||
| -2101- | -2101- | |||||||||||||||
| -2102- | -2102- | |||||||||||||||
| -2103- | -2103- | |||||||||||||||
| -2104- | -2104- | |||||||||||||||
| -2105- | -2105- | |||||||||||||||
| -2106- | -2106- | |||||||||||||||
| -2107- | -2107- | |||||||||||||||
| -2108- | -2108- | |||||||||||||||
| -2109- | -2109- | |||||||||||||||
| -2110- | -2110- | |||||||||||||||
| -2111- | -2111- | |||||||||||||||
| -2112- | -2112- | |||||||||||||||
| -2113- | -2113- | |||||||||||||||
| -2114- | -2114- | |||||||||||||||
| -2115- | -2115- | |||||||||||||||
| -2116- | -2116- | |||||||||||||||
| -2117- | -2117- | |||||||||||||||
| -2118- | -А2118- | |||||||||||||||
| -2119- | -2119- | |||||||||||||||
| -2120- | -2120- | |||||||||||||||
| -2121- | -2121- | |||||||||||||||
| -2122- | -2122- | |||||||||||||||
| -2123- | -2123- | |||||||||||||||
| -2124- | -2124- | |||||||||||||||
| -2125- | -2125- | |||||||||||||||
| -2126- | -2126- | |||||||||||||||
| -2127- | -2127- | |||||||||||||||
| -2128- | -2128- | |||||||||||||||
| -2129- | -2129- | |||||||||||||||
| -2130- | -2130- | |||||||||||||||
| -2132- | -2132- | |||||||||||||||
| -2133- | -А2133- | |||||||||||||||
| -2134- | -2134- | |||||||||||||||
| -2135- | -2135- | |||||||||||||||
| -2136- | -2136- | |||||||||||||||
| -2137- | -2137- | |||||||||||||||
| -2138- | -2138- | |||||||||||||||
| -2139- | -0116- | |||||||||||||||
| -2140- | -0117- | |||||||||||||||
| -2141- | -А0118- | |||||||||||||||
| -2142- | -0118- | |||||||||||||||
| -2143- | -0119- | |||||||||||||||
| -2144- | -2144- | |||||||||||||||
| -2145- | -2145- | |||||||||||||||
| -2146- | -А2144- | |||||||||||||||
| -2147- | -А2145- | |||||||||||||||
| -2148- | -0120- | |||||||||||||||
| -2149- | -А0122- | |||||||||||||||
| -2150- | -0123- | |||||||||||||||
| -2151- | -0124- | |||||||||||||||
| -2152- | -0125- | |||||||||||||||
| -2153- | -А0126- | |||||||||||||||
| -2154- | -0127- | |||||||||||||||
| -2155- | -0128- | |||||||||||||||
| -2156- | -0129- | |||||||||||||||
| -2157- | -0130- | |||||||||||||||
| -2158- | -А 3001- | |||||||||||||||
| -2159- | -3001- | |||||||||||||||
| -2160- | -3004- | |||||||||||||||
| -2161- | -А3008- | |||||||||||||||
| -2162- | -А3011- | |||||||||||||||
| -2163- | -А3023- | |||||||||||||||
| -2164- | -А3030- | |||||||||||||||
| -2165- | -А3031- | |||||||||||||||
| -2167- | -А3057- | |||||||||||||||
| -2168- | -А3058- | |||||||||||||||
| -2673- | 17 | |||||||||||||||
| -2683- | JVL1106 | |||||||||||||||
| -2699- | -202- | |||||||||||||||
| -2776- | -143- | |||||||||||||||
| -2777- | -330- | |||||||||||||||
| -2791- | -225- | |||||||||||||||
| -2802- | -7006- | -7006- | ||||||||||||||
| -2807- | 0_WC1_ | |||||||||||||||
| -2822- | -151- | |||||||||||||||
| -2823- | K11-023NCH | |||||||||||||||
| -2824- | 137 | |||||||||||||||
| -2828- | 15907 | |||||||||||||||
| -2829- | 15683 | |||||||||||||||
| -2830- | 15679 | |||||||||||||||
| -2897- | 2452 | |||||||||||||||
| -2898- | 9151 | |||||||||||||||
| -2931- | K1H-014NLH | |||||||||||||||
| -2963- | K1C-003NCH | |||||||||||||||
| -2964- | K1B-011UCH | |||||||||||||||
| -2969- | 75 | |||||||||||||||
| -2980- | 15511 | |||||||||||||||
| -2986- | K1F-013QLH | |||||||||||||||
![]() |
-3001- | 111111 | 111111 | |||||||||||||
| -3002- | -3002- | |||||||||||||||
| -3003- | -3003- | |||||||||||||||
![]() |
-3004- | 222222 | 222222 д9 | |||||||||||||
| -3005- | -3005- | |||||||||||||||
| -3006- | -3006- | |||||||||||||||
| -3007- | -3007- | |||||||||||||||
| -3008- | -3008- | |||||||||||||||
| -3009- | -А3010- | |||||||||||||||
| -3010- | -3010- | |||||||||||||||
| -3011- | -3011- | |||||||||||||||
| -3013- | -3013- | |||||||||||||||
| -3015- | -3015- | |||||||||||||||
| -3023- | -3023- | |||||||||||||||
| -3024- | -А3026- | |||||||||||||||
| -3025- | -3025- | |||||||||||||||
| -3026- | -3026- | |||||||||||||||
| -3027- | -3027- | |||||||||||||||
| -3028- | -3028- | |||||||||||||||
| -3029- | -3029- | |||||||||||||||
| -3030- | -3030- | |||||||||||||||
| -3031- | -3031- | |||||||||||||||
| -3034- | -3034- | |||||||||||||||
| -3036- | -3036- | |||||||||||||||
| -3038- | -А3045- | |||||||||||||||
| -3039- | -3039- | |||||||||||||||
| -3040- | -А3040- | |||||||||||||||
| -3041- | -3041- | |||||||||||||||
| -3042- | -А3048- | |||||||||||||||
| -3043- | -3043- | |||||||||||||||
| -3044- | -3044- | |||||||||||||||
| -3046- | -3046- | |||||||||||||||
| -3048- | -3048- | |||||||||||||||
| -3049- | -А3052- | |||||||||||||||
| -3050- | -А3053- | |||||||||||||||
| -3051- | -3051- | |||||||||||||||
| -3052- | -3052- | |||||||||||||||
| -3053- | -3053- | |||||||||||||||
| -3054- | -3054- | |||||||||||||||
| -3055- | -3055- | |||||||||||||||
| -3056- | -А3056- | |||||||||||||||
| -3057- | -3057- | |||||||||||||||
| -3058- | -3058- | |||||||||||||||
| -3059- | -3064- | |||||||||||||||
| -3060- | -3060- | |||||||||||||||
| -3061- | -3061- | |||||||||||||||
| -3063- | -А3065- | |||||||||||||||
| -3066- | -3066- | |||||||||||||||
| -3067- | -Б4020- | |||||||||||||||
| -3068- | -А4028- | |||||||||||||||
| -3069- | -A5075- | |||||||||||||||
| -3070- | -3070- | |||||||||||||||
| -3072- | -3072- | |||||||||||||||
| -3073- | -3073- | |||||||||||||||
| -3074- | -3074- | |||||||||||||||
| -3075- | -3075- | |||||||||||||||
| -3076- | -3076- | |||||||||||||||
| -3077- | -3077- | |||||||||||||||
| -3078- | -3078- | |||||||||||||||
| -3084- | -А6010- | |||||||||||||||
| -3085- | -3085- | |||||||||||||||
| -3086- | -3086- | |||||||||||||||
| -3087- | -3087- | |||||||||||||||
| -3088- | -3088- | |||||||||||||||
| -3089- | -3089- | |||||||||||||||
| -3092- | -А6068- | |||||||||||||||
| -3094- | -А6091- | -А6091- | ||||||||||||||
| -3095- | -А6092- | -А6092- | ||||||||||||||
| -3104- | -3104- | |||||||||||||||
| -3106- | -3106- | |||||||||||||||
| -3107- | -3107- | |||||||||||||||
| -3108- | -3108- | |||||||||||||||
| -3109- | -3109- | |||||||||||||||
| -3110- | -3110- | |||||||||||||||
| -3112- | -3112- | |||||||||||||||
| -3114- | -3114- | |||||||||||||||
| -3117- | -3117- | |||||||||||||||
| -3118- | -3118- | |||||||||||||||
| -3121- | -3121- | |||||||||||||||
| -3122- | -3122- | |||||||||||||||
| -3123- | -3123- | |||||||||||||||
| -3124- | -3124- | |||||||||||||||
| -3126- | -3126- | |||||||||||||||
| -3127- | -3127- | |||||||||||||||
| -3128- | -3128- | |||||||||||||||
| -3129- | -3129- | |||||||||||||||
| -3130- | -3130- | |||||||||||||||
| -3131- | -3131- | |||||||||||||||
| -3132- | -3132- | |||||||||||||||
| -3133- | -3133- | |||||||||||||||
| -3134- | -3134- | |||||||||||||||
| -3135- | -3135- | |||||||||||||||
| -3136- | -3136- | |||||||||||||||
| -3137- | -3137- | |||||||||||||||
| -3138- | -3138- | |||||||||||||||
| -3139- | -3139- | |||||||||||||||
| -3140- | -3140- | |||||||||||||||
| -3141- | -3141- | |||||||||||||||
| -3142- | -3142- | |||||||||||||||
| -3143- | -3143- | |||||||||||||||
| -3144- | -3144- | |||||||||||||||
| -3145- | -3145- | |||||||||||||||
| -3146- | -3146- | |||||||||||||||
| -3148- | -3148- | |||||||||||||||
| -3149- | -3149- | |||||||||||||||
| -3150- | -3150- | |||||||||||||||
| -3151- | -3151- | |||||||||||||||
| -3152- | -3152- | |||||||||||||||
| -3153- | -3153- | |||||||||||||||
| -3154- | -3154- | |||||||||||||||
| -3155- | -3155- | |||||||||||||||
| -3156- | -3156- | |||||||||||||||
| -3157- | -3157- | |||||||||||||||
| -3158- | -3158- | |||||||||||||||
| -3159- | -3159- | |||||||||||||||
| -3160- | -3160- | |||||||||||||||
| -3161- | -3161- | |||||||||||||||
| -3162- | -3162- | |||||||||||||||
| -3163- | -3163- | |||||||||||||||
| -3164- | -3164- | |||||||||||||||
| -3165- | -3165- | |||||||||||||||
| -3166- | -3166- | |||||||||||||||
| -3167- | -3167- | |||||||||||||||
| -3168- | -3168- | |||||||||||||||
| -3170- | -3170- | |||||||||||||||
| -3171- | -3171- | |||||||||||||||
| -3172- | -3172- | |||||||||||||||
| -3173- | -3173- | |||||||||||||||
| -3174- | -3174- | |||||||||||||||
| -3175- | -3175- | |||||||||||||||
| -3176- | -3176- | |||||||||||||||
| -3177- | -3177- | |||||||||||||||
| -3178- | -3178- | |||||||||||||||
| -3179- | -3179- | |||||||||||||||
| -3180- | -3180- | |||||||||||||||
| -3181- | -3181- | |||||||||||||||
| -3182- | -3182- | |||||||||||||||
| -3183- | -3183- | |||||||||||||||
| -3184- | -А3193- | |||||||||||||||
| -3185- | -3185- | |||||||||||||||
| -3188- | -3188- | |||||||||||||||
| -3190- | -3190- | |||||||||||||||
| -3191- | -3191- | |||||||||||||||
| -3192- | -3192- | |||||||||||||||
| -3193- | -3193- | |||||||||||||||
| -3194- | -3194- | |||||||||||||||
| -3195- | -3195- | |||||||||||||||
| -3284- | K1B-003TCH | |||||||||||||||
| -3285- | 227777Д133 | |||||||||||||||
| -3304- | 504 | |||||||||||||||
| -3349- | K.E-503W | |||||||||||||||
| -3364- | K1B-001S | |||||||||||||||
| -3370- | K.B-004T | |||||||||||||||
| -3374- | 1107 | |||||||||||||||
| -3375- | 2205A8 | |||||||||||||||
| -3376- | 1108 | |||||||||||||||
| -3377- | 2202A8 | |||||||||||||||
| -3378- | А543 | |||||||||||||||
| -3379- | 231 | |||||||||||||||
| -3406- | Q_A6_ | |||||||||||||||
| -3407- | Q_ST33_ | |||||||||||||||
| -3434- | K1F-006N | |||||||||||||||
| -3435- | K1M-016N | |||||||||||||||
| -3436- | K1F-013NCH | |||||||||||||||
| -3437- | K1D-012NCH | |||||||||||||||
| -3438- | K21-023QCH | |||||||||||||||
| -3439- | K1H-026MLH | |||||||||||||||
| -3440- | K2M-033NL | |||||||||||||||
| -3448- | 327 | |||||||||||||||
| -3449- | 331 | |||||||||||||||
| -3453- | 220 | |||||||||||||||
| -3467- | 222888Д16 | |||||||||||||||
| -3468- | 555577Д84 | |||||||||||||||
| -3469- | 125566д63 | |||||||||||||||
| -3470- | 2351 | |||||||||||||||
![]() |
-4006- | 1111 | ||||||||||||||
| -4011- | -4011- | |||||||||||||||
| -4012- | -4012- | |||||||||||||||
| -4013- | -4013- | |||||||||||||||
| -4015- | -4015- | |||||||||||||||
| -4017- | -4017- | |||||||||||||||
| -4018- | -А4018- | |||||||||||||||
| -4019- | -4019- | |||||||||||||||
| -4020- | -4020- | |||||||||||||||
| -4021- | -А4021- | |||||||||||||||
| -4022- | -А4025- | |||||||||||||||
| -4024- | -4024- | |||||||||||||||
| -4025- | -4025- | |||||||||||||||
| -4027- | -А4027- | |||||||||||||||
| -4028- | -4028- | |||||||||||||||
| -4029- | -А4032- | |||||||||||||||
| -4030- | -4030- | |||||||||||||||
| -4032- | -4032- | |||||||||||||||
| -4033- | -А4072- | |||||||||||||||
| -4034- | -4034- | |||||||||||||||
| -4036- | -А4036- | |||||||||||||||
| -4038- | -4038- | |||||||||||||||
| -4039- | -А4042- | |||||||||||||||
| -4040- | -4040- | |||||||||||||||
| -4041- | -4041- | |||||||||||||||
| -4042- | -4042- | |||||||||||||||
| -4044- | -4044- | |||||||||||||||
| -4045- | -4045- | |||||||||||||||
| -4046- | -4046- | |||||||||||||||
| -4047- | -4047- | |||||||||||||||
| -4048- | -А4048- | |||||||||||||||
| -4049- | -4049- | |||||||||||||||
| -4050- | -4050- | |||||||||||||||
| -4052- | -4052- | |||||||||||||||
| -4054- | -4054- | |||||||||||||||
| -4056- | -4056- | |||||||||||||||
| -4057- | -4057- | |||||||||||||||
| -4058- | -4058- | |||||||||||||||
| -4059- | -4059- | |||||||||||||||
| -4060- | -4060- | |||||||||||||||
| -4061- | -А4069- | |||||||||||||||
| -4063- | -4063- | |||||||||||||||
| -4064- | -4064- | |||||||||||||||
| -4065- | -4065- | |||||||||||||||
| -4067- | -4067- | |||||||||||||||
| -4068- | -4068- | |||||||||||||||
| -4069- | -4069- | |||||||||||||||
| -4071- | -4071- | |||||||||||||||
| -4072- | -4072- | |||||||||||||||
| -4074- | -4074- | |||||||||||||||
| -4075- | -А4177- | |||||||||||||||
| -4078- | -4078- | |||||||||||||||
| -4079- | -4079- | |||||||||||||||
| -4080- | -4080- | |||||||||||||||
| -4082- | -4082- | |||||||||||||||
| -4083- | -4083- | |||||||||||||||
| -4084- | -4084- | |||||||||||||||
| -4085- | -4085- | |||||||||||||||
| -4086- | -4086- | |||||||||||||||
| -4087- | -4087- | |||||||||||||||
| -4088- | -4088- | |||||||||||||||
| -4089- | -4089- | |||||||||||||||
| -4090- | -4090- | |||||||||||||||
| -4091- | -4091- | |||||||||||||||
| -4092- | -4092- | |||||||||||||||
| -4094- | -4094- | |||||||||||||||
| -4099- | -4099- | |||||||||||||||
| -4100- | -4100- | |||||||||||||||
| -4102- | -4102- | |||||||||||||||
| -4103- | -4103- | |||||||||||||||
| -4104- | -4104- | |||||||||||||||
| -4105- | -4105- | |||||||||||||||
| -4106- | -4106- | |||||||||||||||
| -4109- | -4109- | |||||||||||||||
| -4110- | -4110- | |||||||||||||||
| -4112- | -4112- | |||||||||||||||
| -4113- | -4113- | |||||||||||||||
| -4115- | -4115- | |||||||||||||||
| -4116- | -4116- | |||||||||||||||
| -4117- | -4117- | |||||||||||||||
| -4118- | -4118- | |||||||||||||||
| -4120- | -4120- | |||||||||||||||
| -4121- | -4121- | |||||||||||||||
| -4123- | -4123- | |||||||||||||||
| -4124- | -4124- | |||||||||||||||
| -4125- | -4125- | |||||||||||||||
| -4129- | -4129- | |||||||||||||||
| -4132- | -4132- | |||||||||||||||
| -4133- | -4133- | |||||||||||||||
| -4134- | -4134- | |||||||||||||||
| -4135- | -4135- | |||||||||||||||
| -4136- | -4136- | |||||||||||||||
| -4137- | -4137- | |||||||||||||||
| -4138- | -4138- | |||||||||||||||
| -4141- | -4141- | |||||||||||||||
| -4142- | -4142- | |||||||||||||||
| -4143- | -4143- | |||||||||||||||
| -4144- | -4144- | |||||||||||||||
| -4145- | -4145- | |||||||||||||||
| -4146- | -4146- | |||||||||||||||
| -4147- | -4147- | |||||||||||||||
| -4148- | -4148- | |||||||||||||||
| -4149- | -4149- | |||||||||||||||
| -4150- | -4150- | |||||||||||||||
| -4151- | -4151- | |||||||||||||||
| -4153- | -4152- | |||||||||||||||
| -4154- | -4154- | |||||||||||||||
| -4155- | -4155- | |||||||||||||||
| -4156- | -4156- | |||||||||||||||
| -4157- | -4157- | |||||||||||||||
| -4159- | -4159- | |||||||||||||||
| -4160- | -4160- | |||||||||||||||
| -4161- | -4161- | |||||||||||||||
| -4162- | -4162- | |||||||||||||||
| -4163- | -4163- | |||||||||||||||
| -4164- | -4164- | |||||||||||||||
| -4165- | -4165- | |||||||||||||||
| -4166- | -4166- | |||||||||||||||
| -4168- | -4168- | |||||||||||||||
| -4169- | -4169- | |||||||||||||||
| -4170- | -4170- | |||||||||||||||
| -4171- | -4171- | |||||||||||||||
| -4172- | -4172- | |||||||||||||||
| -4174- | -4174- | |||||||||||||||
| -4177- | -4177- | |||||||||||||||
| -5001- | -5001- | |||||||||||||||
| -5002- | -5002- | |||||||||||||||
| -5003- | -5003- | |||||||||||||||
| -5004- | -5004- | |||||||||||||||
| -5005- | -5005- | |||||||||||||||
| -5007- | -5007- | |||||||||||||||
| -5009- | -5009- | |||||||||||||||
| -5010- | -5010- | |||||||||||||||
| -5013- | -5013- | |||||||||||||||
| -5016- | -5016- | |||||||||||||||
| -5017- | -5017- | |||||||||||||||
| -5018- | -5018- | |||||||||||||||
| -5019- | -5019- | |||||||||||||||
| -5020- | -5020- | |||||||||||||||
| -5022- | -5022- | |||||||||||||||
| -5023- | -5023- | |||||||||||||||
| -5024- | -5024- | |||||||||||||||
| -5030- | -5030- | |||||||||||||||
| -5031- | -5031- | |||||||||||||||
| -5032- | -5032- | |||||||||||||||
| -5035- | -5035- | |||||||||||||||
| -5036- | -5036- | |||||||||||||||
| -5037- | -5037- | |||||||||||||||
| -5039- | -5039- | |||||||||||||||
| -5042- | -5042- | |||||||||||||||
| -5045- | -5045- | |||||||||||||||
| -5046- | -5046- | |||||||||||||||
| -5048- | -5048- | |||||||||||||||
| -5049- | -5049- | |||||||||||||||
| -5060- | -5060- | |||||||||||||||
| -5061- | -5061- | |||||||||||||||
| -5062- | -5062- | |||||||||||||||
| -5063- | -5063- | |||||||||||||||
| -5064- | -5064- | |||||||||||||||
| -5065- | -5065- | |||||||||||||||
| -5066- | -5066- | |||||||||||||||
| -5067- | -5067- | |||||||||||||||
| -5068- | -5068- | |||||||||||||||
| -5069- | -5069- | |||||||||||||||
| -5071- | -5071- | |||||||||||||||
| -5073- | -5073- | |||||||||||||||
| -5074- | -5074- | |||||||||||||||
| -5075- | -5075- | |||||||||||||||
| -5076- | -5076- | |||||||||||||||
| -5078- | -5078- | |||||||||||||||
| -5079- | -5079- | |||||||||||||||
| -5080- | -5080- | |||||||||||||||
| -5082- | -5082- | |||||||||||||||
| -5083- | -5083- | |||||||||||||||
| -5085- | -5085- | |||||||||||||||
| -5086- | -5086- | |||||||||||||||
| -5087- | -A5087- | |||||||||||||||
| -5088- | -5088- | |||||||||||||||
| -5091- | -5091- | |||||||||||||||
| -5093- | -5093- | |||||||||||||||
| -5094- | -5094- | |||||||||||||||
| -5095- | -5095- | |||||||||||||||
| -5096- | -5096- | |||||||||||||||
| -5097- | -5097- | |||||||||||||||
| -5098- | -5098- | |||||||||||||||
| -5100- | -5100- | |||||||||||||||
| -5101- | -5101- | |||||||||||||||
| -5102- | -5102- | |||||||||||||||
| -5103- | -5103- | |||||||||||||||
| -5104- | -5104- | |||||||||||||||
| -6003- | -6003- | |||||||||||||||
| -6008- | -6008- | |||||||||||||||
| -6009- | -6009- | |||||||||||||||
| -6010- | -6010- | |||||||||||||||
| -6019- | -6019- | |||||||||||||||
| -6022- | -6022- | |||||||||||||||
| -6023- | -6023- | |||||||||||||||
| -6025- | -6025- | |||||||||||||||
| -6026- | -6026- | |||||||||||||||
| -6027- | -6027- | |||||||||||||||
| -6029- | -6029- | |||||||||||||||
| -6030- | -6030- | |||||||||||||||
| -6031- | -6031- | |||||||||||||||
| -6032- | -6032- | |||||||||||||||
| -6033- | -6033- | |||||||||||||||
| -6034- | -6034- | |||||||||||||||
| -6036- | -6036- | |||||||||||||||
| -6037- | -6037- | |||||||||||||||
| -6038- | -6038- | |||||||||||||||
| -6040- | -6040- | |||||||||||||||
| -6041- | -6041- | |||||||||||||||
| -6042- | -6042- | |||||||||||||||
| -6044- | -6044- | |||||||||||||||
| -6052- | -6052- | |||||||||||||||
| -6055- | -6055- | |||||||||||||||
| -6056- | -6056- | |||||||||||||||
| -6057- | -6057- | |||||||||||||||
| -6059- | -6059- | |||||||||||||||
| -6061- | -6061- | |||||||||||||||
| -6062- | -6062- | |||||||||||||||
| -6063- | -6063- | |||||||||||||||
| -6064- | -6064- | |||||||||||||||
| -6066- | -6066- | |||||||||||||||
| -6067- | -6067- | |||||||||||||||
| -6068- | -6068- | |||||||||||||||
| -6069- | -6069- | |||||||||||||||
| -6070- | -6070- | |||||||||||||||
| -6071- | -А6071- | |||||||||||||||
| -6072- | -А6072- | |||||||||||||||
| -6073- | -6073- | |||||||||||||||
| -6074- | -6074- | |||||||||||||||
| -6075- | -6075- | |||||||||||||||
| -6076- | -6076- | |||||||||||||||
| -6077- | -6077- | |||||||||||||||
| -6079- | -6079- | |||||||||||||||
| -6081- | -6081- | |||||||||||||||
| -6082- | -6082- | |||||||||||||||
| -6083- | -6083- | |||||||||||||||
| -6084- | -6084- | |||||||||||||||
| -6087- | -6087- | -6087- | ||||||||||||||
| -6088- | -6088- | -6088- | ||||||||||||||
| -6089- | -6089- | -6089- | ||||||||||||||
| -6092- | -6092- | -6092- | ||||||||||||||
| -6093- | -6093- | -6093- | ||||||||||||||
| -6094- | -6094- | -6094- | ||||||||||||||
![]() |
-8004- | 112222 | 112222, 112233, 113333 | |||||||||||||
![]() |
-8005- | 112256 | ||||||||||||||
![]() |
-9005- | 22 |
В сравнении








































































































































































































































